六轴力传感器MC12系列
六轴力传感器MC12系列描述:
AMTI公司专注于六轴力和扭矩传感器及六分量力台测试系统,产品应用于科研院所、高校及工业,AMTI为进口品牌;
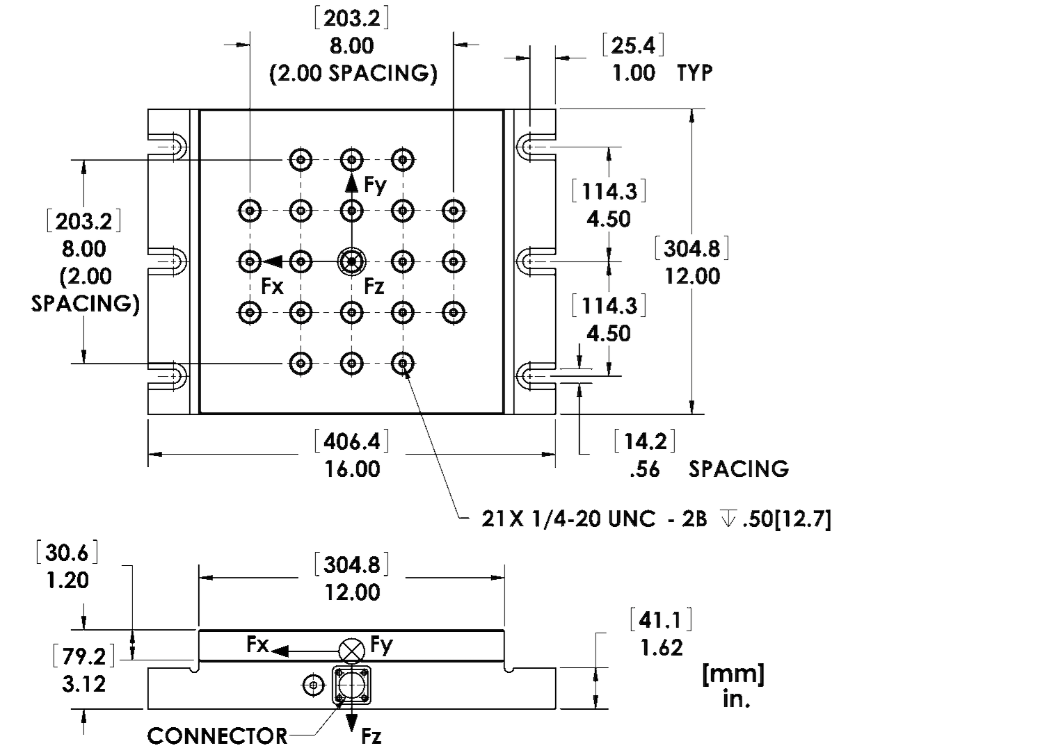
MC12六轴力传感器为应变式六轴向力传感器,用于测量物体在动态以及静态状态下的受力情况,表面配有21个螺纹孔方便安装;
MC12六轴力传感器实时测量物体在X,Y,Z方向上的三个分力Fx、Fy、Fz以及测量三个方向的力矩Mx、My、Mz,量程达17KN;
该六维力传感器用于科研院所材料测试、机器仪器、摩擦学(摩擦和磨损研究)、结构动力学、结构建模/测试、生物力学等领域;
如六分量力和力矩测试、三分量力测试、切削力/磨削力测试测量、直升机桨叶载荷试验、生物力学(机器人)反作用力测试等。

MC12六轴力传感器产品指标:
通道 | Fx,Fy,Fz,Mx,My,Mz | 模拟输出 | 六通道 | |||||
重量 | 22.73 Kg | 六分量力台原理 | 应变式 | |||||
尺寸 | 305x406x78.74mm | 功能 | 力和力矩输出 | |||||
工作温度 | -18to52℃ | 数字输出 | 不支持 | |||||
激励 | 10V max | 信号串扰 | <2% | |||||
Fx,Fy,Fz迟滞 | ±0.2%F.S | 非线性Fx,Fy,Fz | ±0.2%F.S | |||||
通道 | Fx | Fy | Fz | 单位 | Mx | My | Mz | 单位 |
量程 | 2224 | 2224 | 4448 | N | 678 | 678 | 339 | N.m |
灵敏度 | 0.674 | 0.674 | 0.171 | μv/v.N | 2.48 | 2.48 | 5.84 | μv/v-N.m |
固有频率 | 450 | 450 | 880 | Hz | - | - | - | Hz |
刚度(X105) | 210 | 210 | 1403 | N/m | - | - | - | N.m/rad |
MC12-A量程 | 2224 | 2224 | 4448 | N | 678 | 678 | 339 | N.m |
MC12-B量程 | 4448 | 4448 | 8896 | N | 1355 | 1355 | 678 | N.m |
MC12-C量程 | 8897 | 8897 | 17794 | N | 2710 | 2710 | 1355 | N.m |
MC12六轴力传感器产品设计图如下:

MC12六维力传感器与应变调理器以及后端的实时力力矩分析软件构成多分量测力台系统/六分量测力系统,
多分量软件平台实时显示三分量力和三分量力矩测量结果,显示结果如下图:

更多多分量测力计、多分量力传感器、三向/轴力传感器、六分量力传感器、六分量力台请来电咨询!
